
Analysis based on
ダイレクトインジェクション VC Series
概要
ノンキャリアタイプのコンパクトダイレクトインジェクション。高温対応のマスフローメータと組み合わせることで、キャリアガスなしに液体材料を瞬時に気化できるコンパクトシステムを構築できます。
システム構成として、液体材料の流量計測を行う"液体マスフローメータ"または気化ガスの流量を計測する"高温用マスフローメータ"および気化システム"VC"を基本構成として、お客様のご用途に応じて、バルブ、フィルター、加温ヒーターなどの機器をシステムアップいたします。
特長
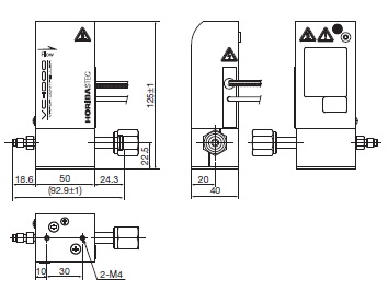
- 超小型:従来比 1/5
- 高速完全気化:供給される液体を瞬時に完全気化します。
- 取付方向自由:どのような取付方向でも機能は維持します。
- バブラータンク、気化タンク不要
製造会社: HORIBA STEC
アプリケーション
幅広い産業でご使用いただいています
- 各種生産装置への搭載:半導体、液晶、LED、太陽電池、パワー半導体、光ファイバー、コーティング など
- 一般産業:雰囲気ガス制御、混合ガス発生 など
- 研究・開発:各種ガスセンサー性能評価機器、触媒性能評価機器、バイオ関連評価機器、燃焼器具性能評価機器 など
- ラボ:各種実験用ガス流量制御機器 など




