
Analysis based on
排気圧コントローラ EC Series
概要
チャンバーの内部圧力を任意の値に一定に制御する排気圧コントローラです。高分解能なステッピングモーターと独自構造のバタフライバルブにより高速応答・高分解能な性能を実現しています。
特長
- 高真空対応
ステンレスボディを採用 - 耐腐食性対応
PTFE(ふっ素樹脂)採用モデルもラインアップ - 排気圧制御システムを構築
微差圧センサ(EMTGC1B-A)
コントローラ(PCU-3000)をラインアップ - RoHS指令対応
※本製品(EC-5202)は、外国為替及び外国貿易法上の規制された貨物です。海外に輸出される場合は、経済産業大臣の許可が必要となります。
製造会社: HORIBA STEC
仕様
EC-5104
取合いサイズ | NW40 |
|---|---|
接ガス部材質 | SUS-316L、バイトン® |
コンダクタンス | 0.4 〜 80 L/s |
100mmH2Oでの出流れ | 20 L/min
|
EC-5105
取合いサイズ | NW50 |
|---|---|
接ガス部材質 | SUS-316L、バイトン® |
コンダクタンス | 0.6 〜 200 L/s |
100mmH2Oでの出流れ | 25 L/min |
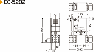
EC-5202
取合いサイズ | 25mmテフロン®継手 |
|---|---|
接ガス部材質 | PTFE、PEEK、バイトン® |
コンダクタンス | 0.4 〜 80 L/s |
100mmH2Oでの出流れ | 3 L/min |
アプリケーション
- 拡散プロセスの歩留り向上、腐食ガスリークの防止、大気からのコンタミネーションの低減
- エッチャーやCVDでのチャンバ圧力制御、スピンコーターの排気量制御





